1314芸能界演艺圈张紫妍,潍坊村支书和妇联主任原视频,swag女主角十大排行
中文版
English
网站首页
企业简介
公司简介
组织机构
产品中心
工程案例
客户留言
资质荣誉
联系我们
产品分类
PRODUCRT
生产线设计、总包
粉料码头中转设计、总包
机制砂生产线设计、总包
干混砂浆生产线设计、总包
高效提升机系列
TGD钢丝胶带提升机
NSE高速板链提升机
NE板链提升机
TH圆环链提升机
输送机系列
DS型连续链斗输送机
FU链式输送机
XZ空气输送斜槽
SZ型双轴搅拌机
LSⅡ螺旋输送机
中型板式给料机
DJS、SJS型单双轴加湿机
皮带机系列
TD75型胶带输送机
DTⅡ型胶带输送机
大倾角胶带输送机
混合机
卧式无重力混合机
卧式犁刀混合机
均化库系统
均化库系统
库底卸料阀系统
气化装置、气化槽
散装机
库底、库侧散装机
粉煤灰散装机
汽车散装机
熟料散装机
环保除尘设备
LMC长袋脉冲除尘器
DMC脉冲单机除尘器
PPW气箱脉冲除尘器
气力输送
正压输送系统
负压输送系统(吸嘴式)
阀门系列设备
电气动圆形风道蝶阀
单双向螺旋闸门
棒条闸门
单双层重锤式翻板阀
电动调节百叶阀
产品中心
当前位置:
首页
>
产品中心
>
详细信息
库底、库侧散装机
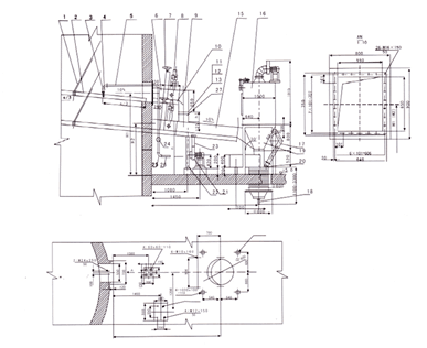
一、产品介绍
SZ型库底、库侧散装机主要用于散装水泥以及建材、冶金、煤炭、化工、粮食等部门。粉状物料车(船)装卸。该系列产品九三年通过省级新产品鉴定,九四年被评为省****新产品金牛奖、市****新产品金鹰奖。技术指标均达到国际同类产品水平。该机具有自动控制,卸料能力大、无粉尘污染、料满指示可靠、结构简单、造价低廉等特点。
二、技术规格参数
技术性能
SZ-Ⅱ(库侧)
SZ-Ⅱ(库底)
装车能力(t/h)
60-300
60-300
落料高度(m)
1.5-5
1.5-5
散装头升降速度(m/s)
0.19
0.19
斜槽工作风压(Pa)
3.5-55×10
3
斜槽工作风量(m
3
/h)
2.5-5
料位计工作风压(Pa)
2.5-4.5×10
3
2.5-4.5×10
3
料位计工作风量(m
3
/h)
0.025-0.05
0.025-0.05
离心风机
9-19,4A 2.2kw
826-1209 m
3
罗茨风机或空压机
D14×20Q=2.52 m
3
/min N=3KW
(罗茨风机)
压力0.7MPa N=0.37KW 排气量0.036 m
3
/min 空压机
装机总容量(KW)
1.5
4
三、库底散装机示意图
四、库侧散装机示意图
精品案例
【
关闭
】
版权所有:mstfo.cn 安徽三和重工机械有限公司
皖ICP备16018595号-1
扫一扫 进入手机网站
主站蜘蛛池模板:
双柏县
|
兴隆县
|
合水县
|
九龙城区
|
武山县
|
祁门县
|
宁海县
|
乳源
|
界首市
|
佛学
|
洞头县
|
禹城市
|
金堂县
|
成都市
|
玉溪市
|
普宁市
|
陆河县
|
巴彦县
|
陇西县
|
农安县
|
仲巴县
|
肃宁县
|
鸡东县
|
昌都县
|
福鼎市
|
威远县
|
张家口市
|
双江
|
朔州市
|
两当县
|
西盟
|
上杭县
|
古蔺县
|
通州区
|
黄骅市
|
陇川县
|
剑河县
|
穆棱市
|
静海县
|
亳州市
|
湖口县
|